Prenesi PDF

Kapacitivno stikalo    ~    AC, z nastavitvenim potenciometrom

ACC 30 5609        NO


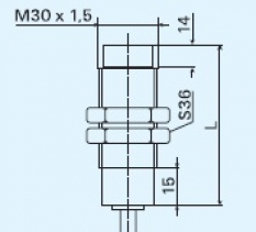
Slika:
Shema:
Električna shema:
Lastnost Vrednost
Dimenzija M 30
Način vgradnje stikala Poravnan
Preklopna razdalja Sn [mm] 10
Napajalna napetost AC
Napajalna napetost U[V] 20-240 V AC
Padec napetosti U[Ud] 5 V
Lastna raba Io[mA] >5mA
Maksimalni tok I[mA] 500mA
Material ohišja Nerjavo jeklo 1.4301
Oblika ohišja valjasta
Dimenzija ohišja (L) 75 mm
Mehanska zaščita IP 67
Priklop 2m PVC
Temperatura območje delovanja -25 °C do + 70 °C
Ponovitvena točnost R < 2% Sn
Histereza Hy 5%-20%
Frekvenca preklopa [f] 20Hz
LED funkcija DA
Regulacija Sn 0-15mm