Prenesi PDF

Induktivni nadzor

cegard/Lift LI 70 s certifikatom T     


Slika:
Shema:
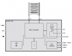
Električna shema:
Lastnost Vrednost
Napajalna napetost U[V] 19,2 - 28,8 VDC
Mehanska zaščita IP 65
Odzivni čas 50 - 80 ms
Dimenzija letev (VxŠxD) v mm 2000 x 14 x 17
Proizvajalec CEDES
Izhod PNP in relejski
Certifikati CE, TÜV
Aplikacija Modernizacijo tovornih dvigal, ki nimajo notranjih kabinskih vrat
Razdalja delovanja 0 m - 4 m
Svetloba okolja (v Lux) > 50,000
Zaščitna višina polja 1.908 mm
Število žarkov 70