Prenesi PDF

Induktivni senzor    ~    Kratko ohišje - Namur

DC 8 5600        ANALOGNA  NAMUR


Slika:
Shema:
Električna shema:
Lastnost Vrednost
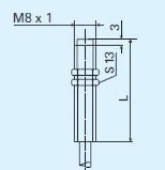
Dimenzija M8
Način vgradnje stikala Neporavnan
Preklopna razdalja Sn [mm] 2
Napajalna napetost DC
Napajalna napetost U[V] 5-30 V DC
Nominalna napetost 8,2 V
Padec napetosti U[Ud] 1,5 V
Valovistost napetosti Ud < 10%
Lastna raba Io[mA] 2,2mA
Maksimalni tok I[mA] 5 mA
Material ohišja Nerjavno jeklo 1.4301
Oblika ohišja valjasta
Dimenzija ohišja (L) 38 mm
Mehanska zaščita IP 67
Priklop 2m PVC
Temperatura območje delovanja -25 °C do + 70 °C
Ponovitvena točnost R < 2% Sn
Frekvenca preklopa [f] 2000 Hz
Možen Atex certifikat DA