Prenesi PDF

Kapacitivno stikalo    ~    Z nastavitvenim potenciometrom

DCC 30 5609        PNP  NO


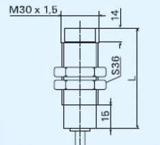
Slika:
Shema:
Električna shema:
Lastnost Vrednost
Dimenzija M 30
Način vgradnje stikala Poravnan
Preklopna razdalja Sn [mm] 10
Napajalna napetost DC
Napajalna napetost U[V] 10-30 V DC
Padec napetosti U[Ud] 1,5 V
Valovistost napetosti Ud 0.8
Lastna raba Io[mA] 15mA
Maksimalni tok I[mA] 250mA
Material ohišja MS Niklano
Oblika ohišja valjasta
Dimenzija ohišja (L) 75 mm
Mehanska zaščita IP 67
Priklop 2m PVC
Temperatura območje delovanja -25 °C do + 70 °C
Ponovitvena točnost R < 2% Sn
Histereza Hy 5%-20%
Frekvenca preklopa [f] 100Hz
Zaščita zamenjave polov Vgrajena
LED funkcija DA
Regulacija Sn 0-15mm