Prenesi PDF

Kapacitivno stikalo    ~    Z nastavitvenim potenciometrom

DCC 50 5829 D / 105        PNP  NO+NC


Slika:
Shema:
Električna shema:
Lastnost Vrednost
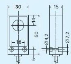
Dimenzija Kvader 30
Način vgradnje stikala Poravnan
Preklopna razdalja Sn [mm] 10
Napajalna napetost DC
Napajalna napetost U[V] 10-30 V DC
Padec napetosti U[Ud] 1,5 V
Valovistost napetosti Ud 0.8
Lastna raba Io[mA] 15mA
Maksimalni tok I[mA] 250mA
Material ohišja PA plastika
Oblika ohišja Kvader 30
Dimenzija ohišja (L) 30x15x10 mm
Mehanska zaščita IP 67
Priklop 2m PVC
Temperatura območje delovanja -25 °C do + 70 °C
Ponovitvena točnost R < 2% Sn
Histereza Hy 5%-20%
Frekvenca preklopa [f] 50Hz
Zaščita zamenjave polov Vgrajena
LED funkcija DA
Regulacija Sn 0-15mm