Prenesi PDF

Induktivni senzor    ~    NAMUR

DF 5 4800        ANALOGNA  NAMUR


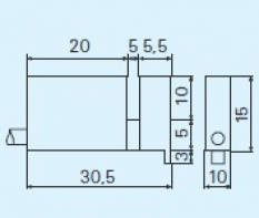
Slika:
Shema:
Električna shema:
Lastnost Vrednost
Dimenzija Vilice 5
Način vgradnje stikala Poravnan
Preklopna razdalja Sn [mm] 5
Napajalna napetost DC
Napajalna napetost U[V] 5-30 V DC
Nominalna napetost 8,2 V
Padec napetosti U[Ud] 1,5 V
Valovistost napetosti Ud < 10%
Lastna raba Io[mA] 2,2mA
Maksimalni tok I[mA] 5 mA
Material ohišja Plastika
Oblika ohišja Kvader
Dimenzija ohišja (L) 30,5 mm
Mehanska zaščita IP 67
Priklop 2m PVC
Temperatura območje delovanja -25 °C do + 70 °C
Ponovitvena točnost R < 2% Sn
Frekvenca preklopa [f] 1000 Hz
Možen Atex certifikat DA