Prenesi PDF

Optični vodnik    ~    Optični vodnik-tipalo

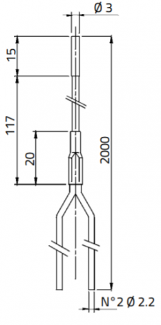
FBS OVT 3mm 2M         Ravni

Shema:
Lastnost Vrednost
Dimenzija 3 mm x 2000 mm
Preklopna razdalja Sn [mm] 1-30 mm
Material ohišja Niklana medenina
Temperatura območje delovanja - 40°C do + 60 °C
Dodatno naročite: optični senzor SSFSSF/0P-0E + konektor 4K 12 0 02 PVC/F/(X) ali kvader FS1/0P-E ali S7-8-E-P
Zaloga je omejena 1-5 kosov DA
Uporaba Na mestih v napravah, kjer ni prostora, za okolja kjer temperatura vpliva na delovanje elektronike (nad 50°C), za tipanje manjših predmetov (matice, vijaki, žica).