Prenesi PDF

Nosilci za senzorje    ~    Nosilec kotni M8

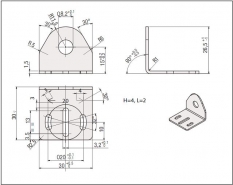
Nosilec FBS NK08     


Slika:
Shema:
Lastnost Vrednost
Dimenzija 30 x 30 x 26 mm, luknja premer 8,2mm
Material ohišja Cinkana pločevina
Uporaba Kotni nosilec za montažo M8 stikal (induktivni, kapacitivni, optični, magnetni, temperaturna tipala)
Prednost za uporabnika Prihranek časa pri montaži senzorja preko nosilca, brez zamudne izdelave nosilca