Prenesi PDF

Nosilci za senzorje    ~    Nosilec ST-504

Nosilec ST-504     


Slika:
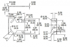
Shema:
Lastnost Vrednost
Dimenzija 34,5 X 15,5 X 15,5 mm (1,5mm debelina pločevine)
Material ohišja Pocinkana pločevina
Dobava V kolikor izdelka ni na zalogi: 1 teden naročilu
Uporaba Nosilec za montažo serij: S6, S60, S62. Za zaščito pred mehanskimi poškodbami.
Prednost za uporabnika Prihranek časa pri montaži senzorja preko nosilca, brez zamudne izdelave nosilca