Prenesi PDF

Optični senzorji razno    ~    Optično tipalo

OT 05 01 05        PNP  NO


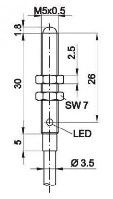
Slika:
Shema:
Električna shema:
Lastnost Vrednost
Dimenzija M5 x 0,5
Preklopna razdalja Sn [mm] 0-20
Histereza Hy < 10%
Napajalna napetost DC
Napajalna napetost U[V] 12-30 V DC
Padec napetosti U[Ud] 2 V
Lastna raba Io[mA] 15 mA
Maksimalni tok I[mA] 100 mA
Material ohišja NERJAVEČE JEKLO V2A
Material leče Safirno steklo
Oblika ohišja valjasta
Dimenzija ohišja (L) 37 mm
Dolžina navoja [mm] 30
Mehanska zaščita IP 67
Priklop kabel 2m, PVC
Temperatura območje delovanja - 25°C do + 55 °C
Frekvenca preklopa [f] 200 Hz
Zaščita zamenjave polov Vgrajena
LED funkcija DA
Izvedba optike RAVNA
Način delovanja svetlo-prevodni
Svetloba oddajnika Infrardeča 880 nm
Nastavitev razdalje NE
Odzivni čas 2,5 ms
Zaloga je omejena 1-5 kosov DA
Uporaba Za tipanje materiala na razdalji 20mm, kjer ni prostora za vgradnjo večjih senzorjev, kjer so velika mehanska nihanja. Nadomešča M5 induktivno stikalo kjer je večkratna možnost poškodbe sprednjega dela. Tipanje doziranja zrn koruze v sejalnici.