| Lastnost |
Vrednost |
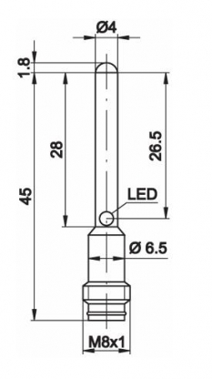
| Dimenzija |
premer 4 mm, dolžina 45 mm |
| Preklopna razdalja Sn [mm] |
0-10 |
| Histereza Hy |
< 10% |
| Napajalna napetost |
DC |
| Napajalna napetost U[V] |
12-30 V DC |
| Padec napetosti U[Ud] |
2 V |
| Lastna raba Io[mA] |
15 mA |
| Maksimalni tok I[mA] |
100 mA |
| Material ohišja |
NERJAVEČE JEKLO V2A |
| Material leče |
Safirno steklo |
| Oblika ohišja |
valjasta |
| Dimenzija ohišja (L) |
46,8 mm |
| Dolžina navoja [mm] |
30 |
| Mehanska zaščita |
IP 67 |
| Priklop |
M8-3p |
| Temperatura območje delovanja |
0°C do + 55 °C |
| Frekvenca preklopa [f] |
250 Hz |
| Zaščita zamenjave polov |
Vgrajena |
| Kratkostična zaščita izhoda |
Vgrajena |
| LED funkcija |
DA-rumena |
| Izvedba optike |
RAVNA |
| Način delovanja |
svetlo-prevodni |
| Svetloba oddajnika |
Infrardeča 880 nm |
| Nastavitev razdalje |
NE |
| Odzivni čas |
2,5 ms |
| Dobava |
V kolikor ni izdelka na zalogi: 1 teden po naročilu |
| Uporaba |
Za tipanje materiala na razdalji 10 mm, kjer ni prostora za vgradnjo večjih senzorjev, kjer so velika mehanska nihanja. Nadomešča induktivno stikalo premera 4 mm kjer je večkratna možnost poškodbe sprednjega dela. Tipanje doziranja zrn koruze v sejalnici. |