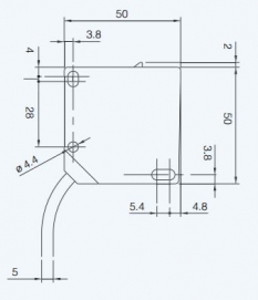
Prenesi PDF Optični senzorji zrcalna zapora ~ Zrcalna zapora – polarizacijska Q50RN/0T-0A RELE 3 A NO+NC Slika: Shema: Električna shema: Lastnost Vrednost Dimenzija 50 X 50 X 17 mm Preklopna razdalja Sn [mm] 200 - 6000 Napajalna napetost AC Napajalna napetost U[V] 24-240 V AC ali (12-240 V DC) Lastna raba Io[mA] 100 mA Maksimalni tok I[mA] 3000 mA (rele) Material ohišja PC/ABS plastika Oblika ohišja Kvader Dimenzija ohišja (L) 50 mm Mehanska zaščita IP 67 Priklop 2m PVC Temperatura območje delovanja - 10°C do + 55 °C Frekvenca preklopa [f] 20 Hz Zaščita zamenjave polov Vgrajena LED funkcija DA Izvedba optike RAVNA Način delovanja temno/svetlo-prevodni Svetloba oddajnika rdeča 660 nm Nastavitev razdalje DA Odzivni čas 25 ms Dodatno naročite: obojno steklo 40X60 mm, 51x61mm, 100x100 mm ali premera 84mm Zaloga je omejena na 1 kos Dodatno vsebuje tudi kotni nosilec za montažo HITRO IN ENOSTAVNO NAROČILO Q50RN/0T-A V SPLETNI TRGOVINI Za delovanje potrebujete ODSEVNO STEKLO premera 84 mm ODSEVNO STEKLO pravokotno 40 x 60 mm ODSEVNO STEKLO pravokotno 51 x 61 mm Pribor: Za priklop: M12 konektor: brez kabla: ravni kotni s kablom: Kotni 2m PVC Kotni 5m PVC Kotni 10m PVC Za napajanje: napajalnik 24V z rele izhodom