Prenesi PDF

Svetlobna zavesa za osebna dvigala in avtomatska vrata

relejski modul 24V     


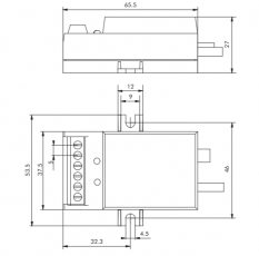
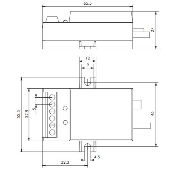
Slika:
Shema:
Električna shema:
Lastnost Vrednost
Napajalna napetost 24Vdc
Vhod PNP / NPN iz senzorja
Izhodna napetost za priklop senzorja 24 VDC
Izhod 1x rele
Izhodni rele U = 125 VAC / 9 A, U = 30 VDC / 7 A, U= 277 VAC / 7 A
Dimenzija ohišja (VxŠxD) v mm
Stalna zaloga DA
Zaloga Zaloga je omejena na 10 kose
Dobava V kolikor ni izdelka na zalogi: do 1 teden po naročilu
Hitra dobava DA- še isti dan po Sloveniji preko hitre pošte za naročilo do 9.30 ure od ponedeljka do petka. Strošek hitre dostave se zaračuna posebej. Po dogovoru tudi osebni prevzem v podjetju FBS (v kolikor je izdelek na zalogi)
Uporaba za priklop svetlobnih zaves za dvigala in vklop močnostnih delov in kontaktorjev preko rele kontakta, ojačevalni modul za optična, induktivna, kapacitivna, magnetna stikala v industriji povsod kjer ni napajalnika.