Prenesi PDF

TOP izdelki    ~    Plovno stikalo za nivo tekočin

RFS-12P INOX 120        dvozicno  NO


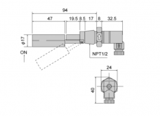
Slika:
Shema:
Električna shema:
Lastnost Vrednost
Preklopna napetost U [V] 300V DC/AC
Dimenzija Ø 17mm plovni del, navoj pritrditve NPT 1/2 (17mm)
Stikalni tok [mA] 500
Stikalna moč [W] 50
Material ohišja NERJAVEČE JEKLO SUS304
Oblika ohišja valjasta
Dimenzija ohišja (L) 94mm + navoj 8mm + konektor 33 mm
Mehanska zaščita IP 68
Priklop konektor kvader z uvodnico za kabel
Temperatura območje delovanja - 40°C do + 120 °C
Tlak obremenitve (pri sobni temperaturi) [MPa] 0,5
Specifična gostota tekočine Večja kot 0,8
LED funkcija NE
Zaloga je omejena na 5 kosov
Dobava v kolikor izdelka ni na zalogi: 1-2 tedna po naročilu
Dodatno naročite za močnostne preklope- npr. vklop/izklop črpalke, kontaktorja: ojačevalni modul AS2T 230V za omrežno napajanje
Uporaba merjenje nivoja hladilne tekočine na strojih do 120°C spodnji/zgornji preklop, hladilne tekočine, deževnice, mleka, soka, olja

Za priklop močnostnih naprav (rele, kontaktor, črpalka) dodatno naročite ojačevalni modul z zakasnitvijo vklopa/izklopa AS2T 230V ali AS2T 24V