Prenesi PDF

Magnetno stikalo    ~    Za nivo tekocin

RNS167-85-5000 ST        dvozicno  NO


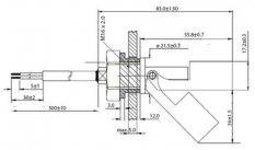
Slika:
Shema:
Električna shema:
Lastnost Vrednost
Dimenzija Ø 21,5mm
Napajalna napetost DC
Stikalna napetost 1000 V DC
Stikalni tok [mA] 1000
Stikalna moč [W] 100
Material ohišja PA
Oblika ohišja valjasta
Dimenzija ohišja (L) 80mm
Mehanska zaščita IP 68
Priklop 5m PVC
Temperatura območje delovanja - 25°C do + 70 °C
LED funkcija NE
Uporaba Detekcija nivoja tekočin (zgornji/sredni/spodnji nivo), alarm pri izlitju tekočine (nad/pod nivojem), montaža vodoravno, možnost vgradnje v cev , vklop močnostne črpalke preko ojačevalnega modula AS2T, primerno za tekočine: voda in druge neagresivne medije. Za ostale izvedbe (odporne na agresivne medije) nas kontaktaktirajte (PP, INOX izvedbe).