Prenesi PDF

Optični senzorji razno    ~    Tipalo - izločitev ozadja

S100-PR-5-M00-PH        PNP  NO


Slika:
Shema:
Električna shema:
Lastnost Vrednost
Preklopna razdalja Sn [mm] 30-100
Odzivni čas 1 ms
Nastavitev razdalje NE
Svetloba oddajnika rdeča 632 nm
Način delovanja temno-prevodni
Izvedba optike RAVNA
LED funkcija DA
Zaščita zamenjave polov Vgrajena
Frekvenca preklopa [f] 500 Hz
Temperatura območje delovanja - 20 °C do + 55 °C
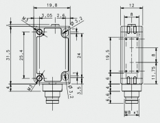
Priklop M8-4p
Mehanska zaščita IP 67
Dimenzija ohišja (L) 20x32x12 mm
Oblika ohišja Kvader
Material ohišja ABS plastika
Maksimalni tok I[mA] 100 mA
Lastna raba Io[mA] 30 mA
Padec napetosti U[Ud] 2 V
Napajalna napetost VDC
Napajalna napetost U[V] 10 - 30V DC
Naročite za priklop 4K 08 0 02 PVC/F (SNAP)
Uporaba Za tipanje predmetov na tekočih trakovih, linijah na razdalji 30-100 mm , kjer je potrebna izločitev ozadja, štetje predmetov, detekcija kosa v orodju, enostavna montaža in nastavitev razdalje. M8 priklop za hitro priključitev / menjavo.

Za priklop potrebujete M8 4 polni konektor

RAVNI 2m:  4R 08 0 02 PUR/F(X)   5m: 4R 08 0 05 PUR/F(X) 10m 4R 08 0 10 PUR/F(X)

KOTNI 2m: 4K 08 0 02 PVC/F(X)  5m: 4K 08 0 05 PUR/F(X)  10 m  4K 08 0 10 PUR/F(X)